浙江七兆电力科技有限公司

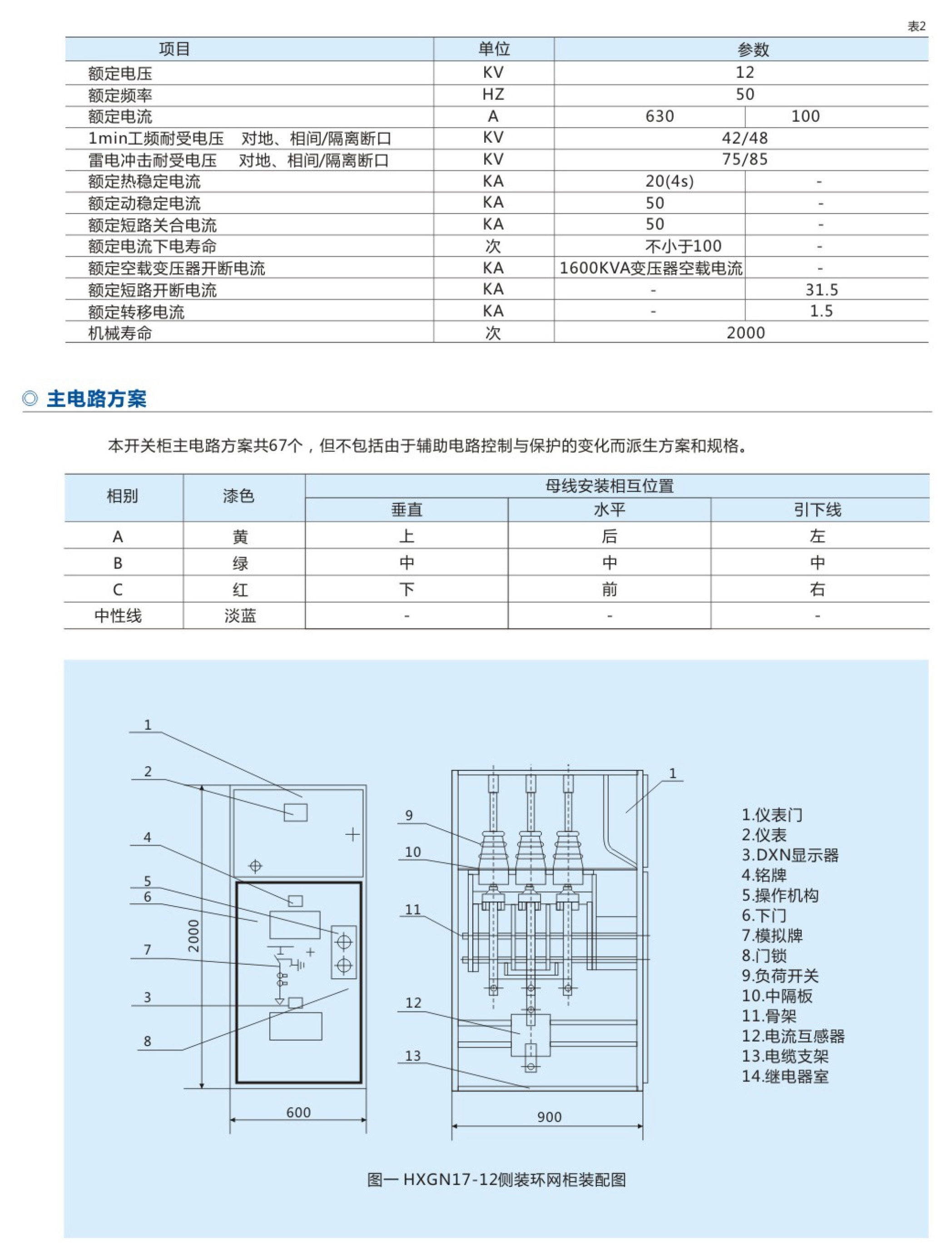
HXGN-12箱型固定式环网高压开关设备

产品中心

HXGN-12箱型固定式环网高压开关设备

HXGN-12箱型固定式环网高压开关设备

如果您有任何问题可以联系我们!
联系我们

点击
隐藏

微信
咨询


扫一扫,了解更多!

电话
咨询

0577-62813860
客服热线